
24小时咨询热线 0792-8223700
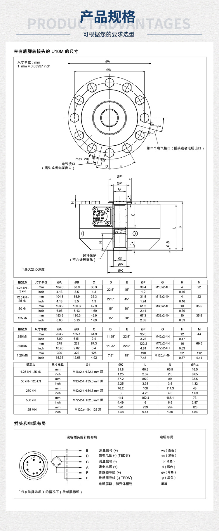
U10M力传感器:量程从1.25kN到2.5MN,旋转对称,高度低U10力传感器具有多种用途,可用于测试台,材料测试术
几器和生产中具有挑战性的测试任务。可用于拉向和压向力测量。
产品特点:
1.HBM精度等级:0.02到0.05⒉量程:1.25kN到2.5MN3.基准精度
4.TCO为150ppm/10K,采用200%校准,仅有75ppm/10K5.极小的线性误差,滞后小,具有极好的可重复性。
6.whitecheckmarkingreencircle
7.在整个量程范围内都满足给定的精度要求;极小误差宽度确保测试的高精度。8.防锈蚀材料,防护等级IP68(带电缆选项)
9.弯矩补偿:弯曲(例如由于施加的横向力产生)不影响测量结果10.适用于疲劳试验,可施加200%额定力的峰值负载
11.抗振动
12.EMC认证
13.whitecheckmarkingreencircle
14.即使在不利的测量条件下(例如温度梯度,寄生机械影响),也具有极高精度15.U10适合多种测量任务:可提供超过5,000种组合
16.带有多种选项,如TEDS,法兰或是脚适配器版本,100%或200%校准,多种插头和电缆可供选择17.whitecheckmarkingreencircle
18.即插即测,节约时间,适应性高
德国HBM力传感器U10M力传感器全部型号U10M/1.25kN
U10M/2.5kNU10M/5kNU10M/12.5kNU10M/25kNU10M/50kNU10M/125kNU10M/250kNU10M/50OkNU10M/1.25MN





识别二维码了解更多资讯
公司名称:数字传感器|模拟传感器|称重传感器|测力传感器|其他电阻应变式传感器|称重模块|称重仪表-[江西翼腾]专业传感器代理厂家
全国统一服务热线:
0792-8223700
13879291204
地址:江西省九江市开发区长城路121号恒盛科技园3号楼8楼808
联系:13879291204 李洁 13907028108 黄正健
地址:江西省九江市开发区长城路121号恒盛科技园3号楼8楼808
赣ICP备2020010441号-1
赣公网安备 36049002000141号