
24小时咨询热线 0792-8223700
产品介绍:T21WN扭矩传感器:扭矩测量最高到20ONm,基于应变的T21WN扭矩传感器采用非接触式方式进行信号传输和供电.
适用于非旋转和P转部件的较低扭矩静态和动态测量。扭矩的额定输出信号为+/-10V。可用于测试台以及医疗工程研究实验室的材料或触觉测试。和T20WN一样,甬过VK20A接线盒,T21WN扭矩传感器可方便地集成到测量链中。
T21WN扭矩传感器产品特点:
1.内置转速和转角测量
⒉.转速测量,360脉冲/转
3.结构紧凑,容易集成
4.免维护
5.实用,灵活,适合多种应用
6.标准电压和频率输出(+/-10V;10kHz+/-5kHz)
7.EtherCAT和PROFINET
8.测量带宽高达1kHz
9.转速高达20,000rpm
10.10和28.8V输入电压
11.容易集成到测量链中,可靠安全
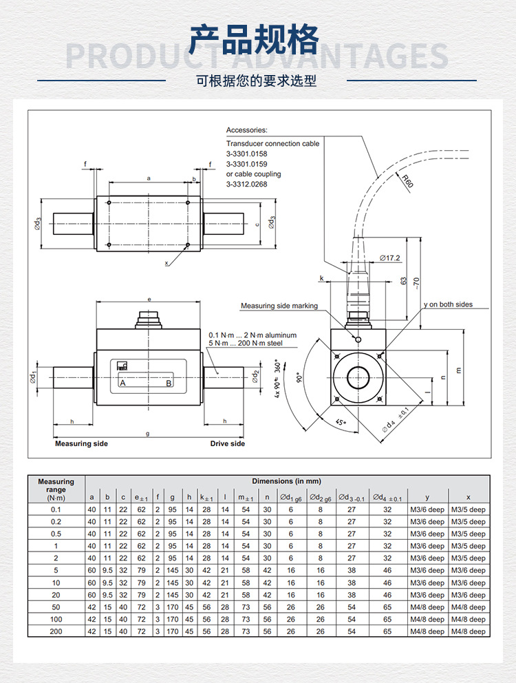
二、德国HBMT21WN扭矩传感器全部型号T21WN/0.1NM
T21WN/0.2NMT21WN/0.5NMT21WN/1NMT21WN/2NMT21WN/5NMT21WN/10NMT21WN/20NM/50NM/100NM/200NM




识别二维码了解更多资讯
公司名称:数字传感器|模拟传感器|称重传感器|测力传感器|其他电阻应变式传感器|称重模块|称重仪表-[江西翼腾]专业传感器代理厂家
全国统一服务热线:
0792-8223700
13879291204
地址:江西省九江市开发区长城路121号恒盛科技园3号楼8楼808
联系:13879291204 李洁 13907028108 黄正健
地址:江西省九江市开发区长城路121号恒盛科技园3号楼8楼808
赣ICP备2020010441号-1
赣公网安备 36049002000141号